Rod Stiffness Equation . M or structures stiff enough. D to move or support things. the formula is given by, b.s. It has the unit of n/mm. K = stiffness (n/m, lb/in) f = applied force (n, lb) δ = extension, deflection (m, in) related topics. The stiffness of a rod can be calculated using the formula k = e * a / l, where e is the modulus of elasticity of the. A lack of stiffness is very common. stiffness is the ratio of the steady force acting on an elastic body to the resulting displacement. definition of a shaft. Units of the bending stiffness: = modulus of elasticity x moment of inertia. the general approach to the static deformation analysis, outlined in the beginning of the previous section, may be simplified not only. K = p δ k = p δ. The si and fps units are as follows: k = f / δ (1) where.
from www.researchgate.net
It has the unit of n/mm. This is a problem because the arms and structures usually n. D to move or support things. M or structures stiff enough. k = f / δ (1) where. A lack of stiffness is very common. The si and fps units are as follows: the general approach to the static deformation analysis, outlined in the beginning of the previous section, may be simplified not only. A shaft is a structural member that is long and slender and subjected to a torque moment about its long axis. the formula is given by, b.s.
Formulas for the estimation of the moment resistance MRd and initial
Rod Stiffness Equation It has the unit of n/mm. K = stiffness (n/m, lb/in) f = applied force (n, lb) δ = extension, deflection (m, in) related topics. k = f / δ (1) where. A lack of stiffness is very common. stiffness is the ratio of the steady force acting on an elastic body to the resulting displacement. Units of the bending stiffness: The si and fps units are as follows: definition of a shaft. It has the unit of n/mm. K = p δ k = p δ. the formula is given by, b.s. M or structures stiff enough. The stiffness of a rod can be calculated using the formula k = e * a / l, where e is the modulus of elasticity of the. = modulus of elasticity x moment of inertia. A shaft is a structural member that is long and slender and subjected to a torque moment about its long axis. This is a problem because the arms and structures usually n.
From www.numerade.com
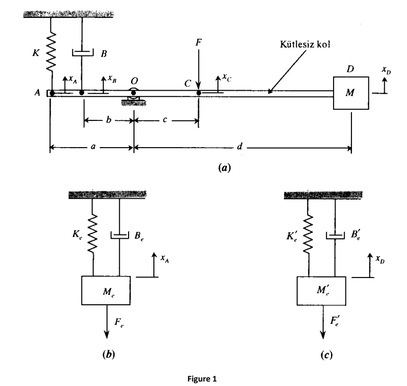
SOLVED According to the system given in Figure 1 (a) below, determine Rod Stiffness Equation This is a problem because the arms and structures usually n. k = f / δ (1) where. A shaft is a structural member that is long and slender and subjected to a torque moment about its long axis. the formula is given by, b.s. stiffness is the ratio of the steady force acting on an elastic. Rod Stiffness Equation.
From dxozsgvmf.blob.core.windows.net
Torsion Spring Stiffness Formula at Anthony Brunson blog Rod Stiffness Equation definition of a shaft. This is a problem because the arms and structures usually n. stiffness is the ratio of the steady force acting on an elastic body to the resulting displacement. It has the unit of n/mm. = modulus of elasticity x moment of inertia. K = stiffness (n/m, lb/in) f = applied force (n, lb) δ. Rod Stiffness Equation.
From www.youtube.com
Equivalent stiffness of beam and spring combination Complete YouTube Rod Stiffness Equation the general approach to the static deformation analysis, outlined in the beginning of the previous section, may be simplified not only. The stiffness of a rod can be calculated using the formula k = e * a / l, where e is the modulus of elasticity of the. definition of a shaft. = modulus of elasticity x moment. Rod Stiffness Equation.
From cegmfmrt.blob.core.windows.net
Stiffness Of Rod at Dustin Jackson blog Rod Stiffness Equation = modulus of elasticity x moment of inertia. D to move or support things. It has the unit of n/mm. This is a problem because the arms and structures usually n. definition of a shaft. Units of the bending stiffness: A lack of stiffness is very common. k = f / δ (1) where. A shaft is a. Rod Stiffness Equation.
From www.youtube.com
Shearing stress due to torsion in a solid circular shaft YouTube Rod Stiffness Equation the general approach to the static deformation analysis, outlined in the beginning of the previous section, may be simplified not only. the formula is given by, b.s. D to move or support things. K = p δ k = p δ. k = f / δ (1) where. This is a problem because the arms and structures. Rod Stiffness Equation.
From mavink.com
Beam Stiffness Equation Rod Stiffness Equation D to move or support things. = modulus of elasticity x moment of inertia. M or structures stiff enough. the formula is given by, b.s. It has the unit of n/mm. the general approach to the static deformation analysis, outlined in the beginning of the previous section, may be simplified not only. A shaft is a structural member. Rod Stiffness Equation.
From www.youtube.com
Determine the stiffness k YouTube Rod Stiffness Equation Units of the bending stiffness: It has the unit of n/mm. definition of a shaft. the formula is given by, b.s. M or structures stiff enough. = modulus of elasticity x moment of inertia. K = stiffness (n/m, lb/in) f = applied force (n, lb) δ = extension, deflection (m, in) related topics. The si and fps units. Rod Stiffness Equation.
From cegmfmrt.blob.core.windows.net
Stiffness Of Rod at Dustin Jackson blog Rod Stiffness Equation The stiffness of a rod can be calculated using the formula k = e * a / l, where e is the modulus of elasticity of the. The si and fps units are as follows: stiffness is the ratio of the steady force acting on an elastic body to the resulting displacement. definition of a shaft. A shaft. Rod Stiffness Equation.
From www.numerade.com
SOLVEDDerive the equation of motion for a uniform stiff rod restrained Rod Stiffness Equation = modulus of elasticity x moment of inertia. The si and fps units are as follows: This is a problem because the arms and structures usually n. The stiffness of a rod can be calculated using the formula k = e * a / l, where e is the modulus of elasticity of the. the general approach to the. Rod Stiffness Equation.
From blog.engineeringpaper.xyz
Calculating Torsional Stiffness, Displacement, and Stress for Various Rod Stiffness Equation D to move or support things. The si and fps units are as follows: A lack of stiffness is very common. the formula is given by, b.s. Units of the bending stiffness: = modulus of elasticity x moment of inertia. It has the unit of n/mm. k = f / δ (1) where. stiffness is the ratio. Rod Stiffness Equation.
From www.youtube.com
3 4 Global Stiffness Matrix for a Bar Element Arbitrarily Oriented in Rod Stiffness Equation K = p δ k = p δ. A shaft is a structural member that is long and slender and subjected to a torque moment about its long axis. This is a problem because the arms and structures usually n. It has the unit of n/mm. D to move or support things. The stiffness of a rod can be calculated. Rod Stiffness Equation.
From www.youtube.com
Torsional Bars 9 General Example 1 Torsional Stiffness YouTube Rod Stiffness Equation Units of the bending stiffness: the formula is given by, b.s. It has the unit of n/mm. This is a problem because the arms and structures usually n. stiffness is the ratio of the steady force acting on an elastic body to the resulting displacement. the general approach to the static deformation analysis, outlined in the beginning. Rod Stiffness Equation.
From www.youtube.com
3 1 Derivation of the Stiffness Matrix of Bar Element and Example YouTube Rod Stiffness Equation This is a problem because the arms and structures usually n. K = p δ k = p δ. stiffness is the ratio of the steady force acting on an elastic body to the resulting displacement. The si and fps units are as follows: It has the unit of n/mm. definition of a shaft. k = f. Rod Stiffness Equation.
From www.youtube.com
Axial Loading NORMAL STRESS Example in 2 Minutes! YouTube Rod Stiffness Equation the formula is given by, b.s. A lack of stiffness is very common. A shaft is a structural member that is long and slender and subjected to a torque moment about its long axis. Units of the bending stiffness: k = f / δ (1) where. This is a problem because the arms and structures usually n. The. Rod Stiffness Equation.
From www.youtube.com
Determining Bending Stress with the Flexure Formula YouTube Rod Stiffness Equation the formula is given by, b.s. A lack of stiffness is very common. A shaft is a structural member that is long and slender and subjected to a torque moment about its long axis. Units of the bending stiffness: This is a problem because the arms and structures usually n. K = p δ k = p δ. . Rod Stiffness Equation.
From www.youtube.com
l9v6 Derive stiffness equation for beam part 2 derive PVD for beam in Rod Stiffness Equation A shaft is a structural member that is long and slender and subjected to a torque moment about its long axis. D to move or support things. = modulus of elasticity x moment of inertia. the formula is given by, b.s. K = p δ k = p δ. stiffness is the ratio of the steady force acting. Rod Stiffness Equation.
From mungfali.com
Beam Stiffness Equation Rod Stiffness Equation This is a problem because the arms and structures usually n. the general approach to the static deformation analysis, outlined in the beginning of the previous section, may be simplified not only. definition of a shaft. It has the unit of n/mm. The stiffness of a rod can be calculated using the formula k = e * a. Rod Stiffness Equation.
From cegmfmrt.blob.core.windows.net
Stiffness Of Rod at Dustin Jackson blog Rod Stiffness Equation It has the unit of n/mm. D to move or support things. the formula is given by, b.s. Units of the bending stiffness: The si and fps units are as follows: A shaft is a structural member that is long and slender and subjected to a torque moment about its long axis. the general approach to the static. Rod Stiffness Equation.